Скорость числовых операций
|
31.2 |
||
| Минимум | Среднее | Максимум |
| 43 | Память: 60 | 67 |
|
Память |
||
| 22 | 1 ядро: 28 | 29 |
|
1 ядро |
||
| 42 | 2 ядра: 55 | 58 |
|
2 ядра |
||
|
12.1 |
||
| Минимум | Среднее | Максимум |
| 66 | 4 ядра: 101 | 116 |
|
4 ядра |
||
| 75 | 8 ядер: 104 | 117 |
|
8 ядер |
|
1.9 |
||
| Минимум | Среднее | Максимум |
| 74 | Все ядра: 104 | 117 |
|
Все ядра |
Для разных задач требуются разные сильные стороны CPU. Система с малым количеством быстрых ядер и низкими задержками памяти отлично подойдёт для подавляющего числа игр, но уступит системе с большим количеством медленных ядер в сценарии рендеринга.
Мы считаем, что для бюджетного игрового компьютера подходит минимум 4/4 (4 физических ядра и 4 потока) процессор. При этом часть игр может загружать его на 100%, подтормаживать и фризить, а выполнение любых задач в фоне приведёт к просадке ФПС.
В идеале экономный покупатель должен стремиться минимум к 4/8 и 6/6. Геймер с большим бюджетом может выбирать между 6/12, 8/8 и 8/16. Процессоры с 10 и 12 ядрами могут отлично себя показывать в играх при условии высокой частоты и быстрой памяти, но избыточны для подобных задач. Также покупка на перспективу — сомнительная затея, поскольку через несколько лет много медленных ядер могут не обеспечить достаточную игровую производительность.
Подбирая процессор для работы, изучите, сколько ядер используют ваши программы. Например, фото и видео редакторы могут использовать 1-2 ядра при работе с наложением фильтров, а рендеринг или конвертация в этих же редакторах уже использует все потоки.
Данные получены из тестов пользователей, которые тестировали свои системы как в разгоне (максимальное значение в таблице), так и без (минимальное). Типичный результат указан посередине, чем больше заполнена цветная полоса, тем лучше средний результат среди всех протестированных систем.
Сравнение Celeron J1900 с похожими процессорами
Производительность
Производительность с использованием всех ядер.
Тесты процессора выполнялись на: PCMark 8 Home 3.0 Accelerated, PassMark, Geekbench 3 Multi-Core.
Celeron J1900
5.2 из 10
Core i3 3220
5.9 из 10
Celeron N3150
5.1 из 10
Производительность на 1 ядро
Базовая производительность 1 ядра процессора.
Для тестирования использовались: PassMark (Single Core), Geekbench 3 Single Core, Geekbench 3 AES Single Core.
Celeron J1900
5.3 из 10
Core i3 3220
6.9 из 10
Celeron N3150
5.2 из 10
Интегрированная графика
Производительность встроенного GPU для графических задач.
| Celeron J1900 | нет данных |
|---|---|
| Core i3 3220 | 5.0 из 10 |
| Celeron N3150 | нет данных |
Интегрированная графика (OpenCL)
Производительность встроенного GPU для параллельных вычислений.
Протестировано на: CompuBench 1.5 Bitcoin mining, CompuBench 1.5 Face detection, CompuBench 1.5 Ocean Surface Simulation, CompuBench 1.5 T-Rex, CompuBench 1.5 Video composition.
Celeron J1900
5.2 из 10
Core i3 3220
5.2 из 10
Celeron N3150
6.0 из 10
Производительность из расчета на 1 Вт
Насколько эффективно процессор использует электричество.
Для тестов использовались: Sky Diver, Cloud Gate, CompuBench 1.5 Bitcoin mining, CompuBench 1.5 Face detection, CompuBench 1.5 Ocean Surface Simulation, CompuBench 1.5 T-Rex, CompuBench 1.5 Video composition, PCMark 8 Home 3.0 Accelerated, PassMark, Geekbench 3 Multi-Core, PassMark (Single Core), Geekbench 3 Single Core, Geekbench 3 AES Single Core, TDP.
Celeron J1900
5.9 из 10
Core i3 3220
5.2 из 10
Celeron N3150
6.7 из 10
Соотношенеи цена — производительность
Насколько вы переплачиваете за производительность.
Тесты процессора выполнялись на: Sky Diver, Cloud Gate, CompuBench 1.5 Bitcoin mining, CompuBench 1.5 Face detection, CompuBench 1.5 Ocean Surface Simulation, CompuBench 1.5 T-Rex, CompuBench 1.5 Video composition, PCMark 8 Home 3.0 Accelerated, PassMark, Geekbench 3 Multi-Core, PassMark (Single Core), Geekbench 3 Single Core, Geekbench 3 AES Single Core, Price.
Celeron J1900
нет данных
Core i3 3220
6.4 из 10
Celeron N3150
нет данных
Процессоры Intel Celeron J1800/J1900
Итак, процессоры Intel делятся на три типа. Для малопроизводительных и энергоэффективных десктопов подходят SoC Bay Trail-D. На сегодняшний день представлено сразу восемь моделей: от двухъядерного Celeron J1750 до восьмиядерного «промышленного» решения C2750 (Avoton), уровень TDP которого составляет 20 Вт. В зависимости от количества физических ядер процессоры имеют различный по объему кэш второго уровня. Так, «двухголовые» модели оснащены 1 Мбайт L2. Четырехъядерные чипы — 2 Мбайт. Восьмиядерный процессор — 4 Мбайт. Платформа Avoton не имеет встроенного графического ядра. В остальные SoC интегрирована HD-графика начального уровня, включающая 6 исполнительных устройств. Однако в зависимости от модели может меняться ее частота.
Сравнение бенчмарков
CPU 1: Intel Celeron J4105CPU 2: Intel Celeron J1900
| PassMark — Single thread mark |
|
|
||||
| PassMark — CPU mark |
|
|
||||
| Geekbench 4 — Single Core |
|
|
||||
| Geekbench 4 — Multi-Core |
|
|
||||
| CompuBench 1.5 Desktop — Face Detection (mPixels/s) |
|
|
||||
| CompuBench 1.5 Desktop — Ocean Surface Simulation (Frames/s) |
|
|
||||
| CompuBench 1.5 Desktop — T-Rex (Frames/s) |
|
|
||||
| CompuBench 1.5 Desktop — Video Composition (Frames/s) |
|
|
||||
| CompuBench 1.5 Desktop — Bitcoin Mining (mHash/s) |
|
|
||||
| GFXBench 4.0 — T-Rex (Frames) |
|
|
||||
| GFXBench 4.0 — T-Rex (Fps) |
|
|
| Название | Intel Celeron J4105 | Intel Celeron J1900 |
|---|---|---|
| PassMark — Single thread mark | 1103 | 649 |
| PassMark — CPU mark | 2957 | 1132 |
| Geekbench 4 — Single Core | 412 | 210 |
| Geekbench 4 — Multi-Core | 1365 | 686 |
| CompuBench 1.5 Desktop — Face Detection (mPixels/s) | 3.374 | 3.068 |
| CompuBench 1.5 Desktop — Ocean Surface Simulation (Frames/s) | 30 | 11.336 |
| CompuBench 1.5 Desktop — T-Rex (Frames/s) | 0.261 | 0.139 |
| CompuBench 1.5 Desktop — Video Composition (Frames/s) | 1.281 | 0.508 |
| CompuBench 1.5 Desktop — Bitcoin Mining (mHash/s) | 2.947 | 1.753 |
| GFXBench 4.0 — Car Chase Offscreen (Frames) | 722 | |
| GFXBench 4.0 — Manhattan (Frames) | 1384 | |
| GFXBench 4.0 — T-Rex (Frames) | 2229 | 1007 |
| GFXBench 4.0 — Car Chase Offscreen (Fps) | 722 | |
| GFXBench 4.0 — Manhattan (Fps) | 1384 | |
| GFXBench 4.0 — T-Rex (Fps) | 2229 | 1007 |
Обзор материнской платы и установка Xubuntu
Материнская плата порадовала нас своей аппаратной ревизией, но не обошлось и без нареканий. В сети Интернет мы натолкнулись на описание проблем связанных с пуском материнской платы без монитора, но данная проблема не подтвердилась — компьютер без каких либо проблем стартует без подключенного монитора и работает в нормальном режиме. Так же хотели бы отметить возможность автопуска компьютера при подаче питания на материнcкую плату в 3-х режимах: запускать если компьютер был запущен до потери питания в цепи; всегда запускать при подаче питания; не запускать при подаче напряжения. Ниже приведен список, выделенные нами, плюсов и минусов:
Плюсы отмеченные нами:
- 2-х ядерный процессор с частотой 2.5 Ггц и современным графическим ядром
- Оперативная память DDR3 1333 Мгц
- 2 слота под оперативную память
- 8 портов USB из которых 1 USB 3.0
- Гигабитный Ethernet порт
- Наличие HDMI и VGA: возможность одновременного подключения 2-х дисплеев
- Наличие mini-PCI. Дает возможность установки Wi-Fi адаптера и антен в корпусе
- Наличие PCI-E
- Энергопотребление материнской платы 17w
- Воспроизведение видео с разрешением Full HD
- 8-ми канальная аудиокарта
- Безкуллерное охлаждение процессора
- Отсутствие шума при работе
- Автопуск при восстановлении питания материнской платы
- Пуск без подключенного монитора
Минусы отмеченные нами:
- 2 порта SATA 2
- 3 аудиопорта. Хочется 6 аудиопортов для простой интеграции многоканальной стереосистемы.
- Недостаточная производительность процессора для сложных и мощных вычислительных систем.
- Видео-процессор не поддерживает разрешение 4К: D-Sub 2560×1600; HDMI 1920×1080
Не смотря на недостатки базовой аппаратной конфигурации, отмеченные нами, материнская плата оснащена достаточным количеством портов расширения, что бы решить большинство задач. При использовании переходников или адаптеров можно добавить дискретную видеокарту, аудиокарту и sata контроллер.
Установка Xubuntu на мат. плату GIGABYTE GA-J1800N-D2H
На стадии знакомства с материнской платой по отзывам и тех описанию встречались отзывы о проблемах установки linux на ПК с использованием материнской платой GIGABYTE GA-J1800N-D2H. Подобные проблемы были характерны для BIOS версии F2 и ниже. Данные проблемы не подтвердились на BIOS версии F4. Установка системы Xubuntu 14.04 64bit прошла по стандартной схеме — при помощи загрузочного USB диска. Процесс создания загрузочного диска мы, в данной статье, рассматривать не будем. Подобных инструкций масса в просторах интернета. Мы рассмотрим процесс установки Xubuntu 14.04 64bit на компьютер под управлением материнской платы GIGABYTE ga-j1800n-d2h и процессора Intel Celeron J1800.
Процесс установки не вызвал абсолютно никаких трудностей. Ошибок в процессе установки не возникало. По итогам установки ОС Xubuntu мы получили полностью рабочую машину с драйверной поддержкой всего периферийного оборудования — сеть, видеоадаптер и прочая периферия заработала сразу после установки системы.
Вопросы вызвал аппаратный ускоритель графического процессора. При просмотре видео онлайн в разрешении Full HD загрузка ЦПУ доходила до 100% и видео начинало «заикаться» и подвисать, что вызывало недоумение, при производительности данного процессора и наличию современного видео-процессора. Подробнее эту проблему мы решаем в разделе ниже. И переходим непосредственно к фото-отчету по установке Xubuntu 14.04.
1) Корпус в сборе подключен к периферии и сети 220 вольт.

2) Материнская плата GIGABYTE ga-j1800n-d2h установлена в корпусе.

3) Установка Xubuntu 14.04 на GIGABYTE ga-j1800n-d2h. Все проходит без запинок и ошибок.

4) Система установлена. Нас приветствует фирменная заставка Xfce и рабочий стол Xubuntu 14.04.
5) Температура процессора при максимальной нагрузке не поднимается выше 52 градусов по цельсию — это радует. Безкуллерный радиатор справляется с охлаждением на 100%.

По результатам тестирования мы заметили плохую оптимизацию работы видео процессора при просмотре видео онлайн в Linux, не работало аппаратное ускорение графического процессора.
Решаем проблему с аппаратным ускорение видео на процессорах Bay Trail:
Включаем аппаратное ускорение в flash player в случае, если не работает:
Если файл отсутствует — создаем:
Добавляем строки:
По результатам проделанных операций Full HD(1080р) видео с носителя ПК воспроизводит без торможений и заиканий — загрузка цпу 50% при участии аппаратного ускорения. Видео онлайн в разрешении Full HD(1080р) воспроизводит так же без заиканий и тормозов средствами Flash player и HTML5 — загрузка цпу 50-80% при участии аппаратного ускорения.
Спецификация материнской платы GIGABYTE GA-J1800N-D2H:
Материнская плата оснащена твердотельными конденсаторами и транзисторами малого сопротивления, что гарантирует длительный срок жизни материнской платы и уменьшает энергопотребление материнской платы с процессором — 17w. На материнской плате GIGABYTE GA-J1800N-D2H возможно собрать производительную систему, отвечающую всем современным требованиям производительности и с низким энергопотреблением. Для достижения меньшего энергопотребления мы рекомендуем грамотно рассчитать необходимую мощность блока питания (т.к. блок питания большей мощности имеет больший холостой ход), объем оперативной памяти и использовать SSD накопителя. SSD накопители выгодно отличаются от HDD накопителей стабильностью в энергопотреблении, отсутствие механических узлов(а так же шума) и большей производительности, что несомненно сказывается на итоговом энергопотреблении систем построенных на основе SSD накопителей.
Материнская плата оснащена портом PCI-E и достаточным количеством USB портов, что позволяет расширять аппаратные возможности материнской платы и гибко конфигурировать аппаратную часть материнской платы под свои нужды.
На материнской плате отсутствует возможность аппаратной организации RAID массивов, но мы не считаем данное свойство минусом материнской платы. Мы рекомендуем на бюджетных платах использовать программные решения RAID массивов, т.к. данное решение является более надежным, практичным и, в случаях выхода из строя одного из носителей, позволяет легко и быстро заменить дефектный носитель.
| Производитель | GIGABYTE Technology |
| Модель | GA-J1800N-D2H |
| Процессорный разъем | Socket BGA1170 |
| Интегрированный процессор | Intel Celeron J1800 (2 х 2,41 — 2,58 ГГц)Bay Trail; Тех. процесс 22 nm2 ядра\2 потока; 64 bit; VT-XМаксимальная расчетная мощность 10 w |
| Графический адаптер | Intel HD Graphics: частота ядра – 688 МГц (макс. до 792 МГц); объем видеопамяти расширяется динамически за счет оперативной;D-Sub 2560×1600; HDMI 1920×1080Аппаратное декодирование: MPEG2, H.264, VC1, VP8, MVC, AVC |
| Частота используемой памяти | 1333 МГц |
| Поддержка памяти | 2 x DDR3/DDR3L SO-DIMM-слота с поддержкой до 8-ми ГБ памяти в двухканальном режиме |
| Слоты расширения | 1 x PCI Express 2.0 x11 x mini-PCIe |
| Дисковая подсистема | 2 x SATA 3 Гбит/с |
| LAN | 1 x Realtek RTL8111F (10/100/1000 Мб/с) |
| Звуковая подсистема | 8-канальная HD Audio на основе кодека Realtek ALC887 |
| Питание | 24-контактный разъем питания ATX4-контактный разъем питания ATX12V |
| Вентиляторы | 1 x разъем вентилятора CPU (3-контактный)1 x разъем подключения системного вентилятора (4-контактный) |
| Охлаждение | Алюминиевый радиатор на процессоре |
| Внешние порты I/O | 2 x PS/2 (клавиатура и мышь)4 x USB 2.01 x USB 3.01 x HDMI1 x D-Sub1 x LAN (RJ45)3 x аудиопорта |
| Внутренние порты I/O | 1 x USB 2.0 с поддержкой двух портов USB 2.02 x SATA 3 Гбит/с1 х COM1 x LPT1 x S/PDIF Out1 x коннектор вывода звука на переднюю панель1 x блок коннекторов передней панели |
| BIOS | 64 Мбит UEFI AMI BIOS, PnP 1.0a, DMI 2.7, WfM 2.0, SM BIOS 2.7, ACPI 5.0 |
| Форм-фактор | Mini-ITX |
| Размеры | 170 x 170 мм |
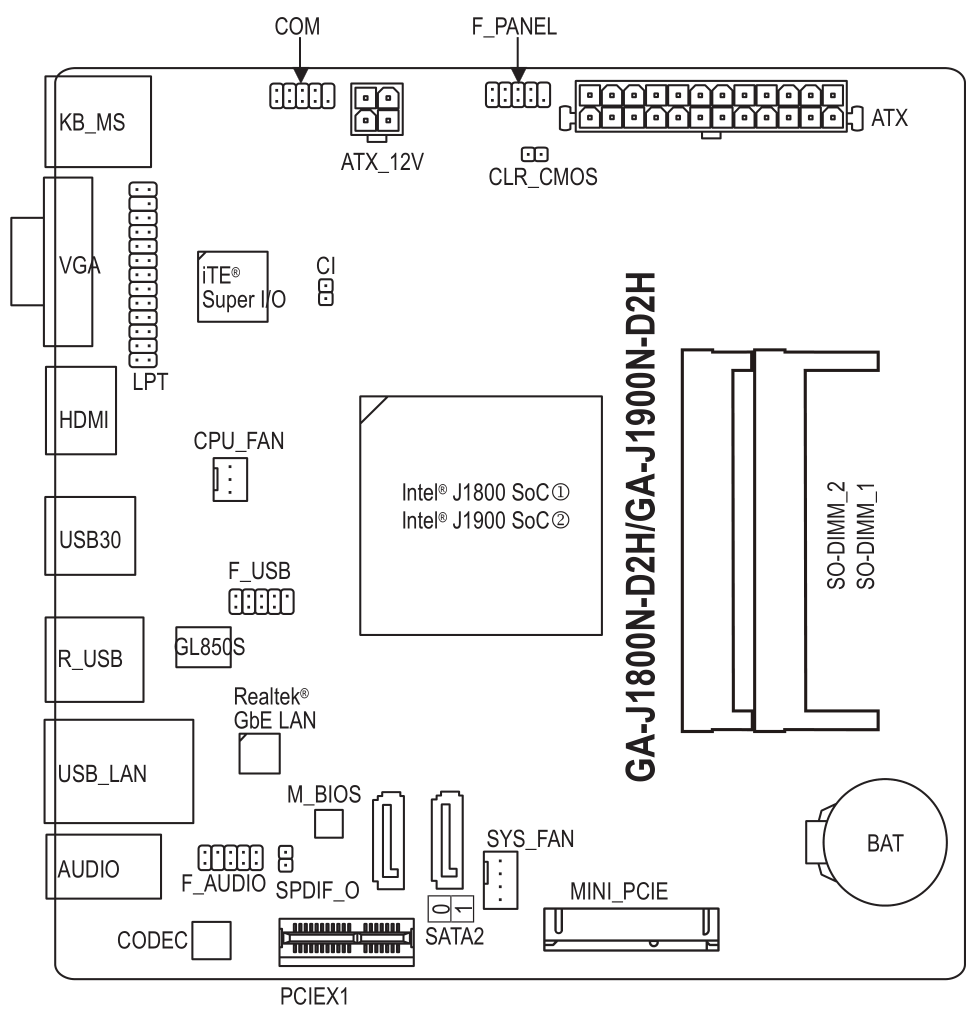
Схема расположения узлов платы, портов подключения питания и интерфейсов.

Плата не оснащена 4-рех контактным разъемом для кулера процессора, но он, в большинстве случаях, не требуется. Мы проводили тесты на радиаторном охлаждении без использования кулера, и как показали тесты — радиатор вполе справляется с теплоотводом на данном процессоре.
Как видно из схемы размещения узлов — на плате отсутствуют северный и южный мост. Роль мостов выполняет мобильный процессор Intel Celeron J1800.
Сравнение характеристик
| Intel Celeron J4105 | Intel Celeron J1900 | |
|---|---|---|
| Название архитектуры | Gemini Lake | Bay Trail |
| Дата выпуска | 11 December 2017 | 1 November 2013 |
| Цена на дату первого выпуска | $107 | $82 |
| Место в рейтинге | 1842 | 2494 |
| Цена сейчас | $107 | |
| Processor Number | J4105 | J1900 |
| Серия | Intel Celeron Processor J Series | Intel Celeron Processor J Series |
| Status | Launched | Launched |
| Соотношение цена/производительность (0-100) | 7.27 | |
| Применимость | Desktop | Desktop |
| Поддержка 64 bit | ||
| Base frequency | 1.50 GHz | 2.00 GHz |
| Кэш 2-го уровня | 4 MB | 2 MB |
| Технологический процесс | 14 nm | 22 nm |
| Максимальная температура ядра | 105°C | 105°C |
| Максимальная частота | 2.50 GHz | 2.42 GHz |
| Количество ядер | 4 | 4 |
| Количество потоков | 4 | 4 |
| Кэш 1-го уровня | 224 KB | |
| Максимальное количество каналов памяти | 2 | 2 |
| Максимальный размер памяти | 8 GB | 8 GB |
| Поддерживаемые типы памяти | DDR4/LPDDR4 upto 2400 MT/s | DDR3L 1333 |
| Device ID | 0x3185 | |
| Количество исполняющих блоков | 12 | |
| Graphics base frequency | 250 MHz | 688 MHz |
| Graphics max dynamic frequency | 750 MHz | 854 MHz |
| Объем видеопамяти | 8 GB | |
| Интегрированная графика | Intel UHD Graphics 600 | Intel HD Graphics |
| Максимальная частота видеоядра | 854 MHz | |
| Intel Flexible Display Interface (Intel FDI) | ||
| Технология Intel InTru 3D | ||
| Intel Quick Sync Video | ||
| DisplayPort | ||
| eDP | ||
| HDMI | ||
| MIPI-DSI | ||
| Максимально поддерживаемое количество мониторов | 3 | 2 |
| Поддержка WiDi | ||
| Поддержка разрешения 4K | ||
| DirectX | 12 | |
| OpenGL | 4.4 | |
| Low Halogen Options Available | ||
| Максимальное количество процессоров в конфигурации | 1 | 1 |
| Package Size | 25mm x 24mm | 25mm X 27mm |
| Поддерживаемые сокеты | FCBGA1090 | FCBGA1170 |
| Энергопотребление (TDP) | 10 Watt | 10 Watt |
| Thermal Solution | 105 deg C | |
| Встроенная LAN | ||
| Integrated Wireless | Intel Wireless-AC MAC | |
| Количество линий PCI Express | 6 | 4 |
| Максимальное количество портов SATA 6 Gb/s | 2 | |
| Количество USB-портов | 8 | |
| Ревизия PCI Express | 2.0 | 2.0 |
| PCIe configurations | 1×4 + 1×2 or 4×1 or 2×1+1×2 + 1×2 | X4, X2, X1 |
| Общее количество SATA-портов | 2 | |
| UART | ||
| Ревизия USB | 2.0/3.0 | |
| Технология Anti-Theft | ||
| Execute Disable Bit (EDB) | ||
| Технология Intel Identity Protection | ||
| Intel Memory Protection Extensions (Intel MPX) | ||
| Intel OS Guard | ||
| Технология Intel Secure Key | ||
| Intel Software Guard Extensions (Intel SGX) | ||
| Технология Enhanced Intel SpeedStep | ||
| General-Purpose Input/Output (GPIO) | ||
| Idle States | ||
| Intel 64 | ||
| Intel AES New Instructions | ||
| Технология Intel Hyper-Threading | ||
| Intel Optane Memory Supported | ||
| Технология Intel Smart Response | ||
| Технология Intel Turbo Boost | ||
| Intel vPro Platform Eligibility | ||
| Speed Shift technology | ||
| Thermal Monitoring | ||
| Flexible Display interface (FDI) | ||
| Технология Intel Rapid Storage (RST) | ||
| Intel Stable Image Platform Program (SIPP) | ||
| Physical Address Extensions (PAE) | 36-bit | |
| Intel Virtualization Technology (VT-x) | ||
| Intel Virtualization Technology for Directed I/O (VT-d) | ||
| Intel VT-x with Extended Page Tables (EPT) |
Характеристики Intel Celeron J1900
Функции
| Наличие NX-bit (XD-bit) | Да |
|---|---|
| Поддержка виртуализации | Да |
| Поддержка динамического масштабирования частоты (CPU Throttling) | Да |
Встроенная (интегрированная) графика
| Графическое ядро | GPU |
|---|---|
| Марка | Intel HD Graphics |
| Число поддерживаемых дисплеев | 2 |
| Тактовая частота графического ядра | 688 MHz |
| Максимальная тактовая частота | 854 MHz |
Модуль памяти
| Контроллер памяти | Встроенный |
|---|---|
| Тип памяти | DDR3 |
| Каналы | Двойной канал |
| Поддержка ECC (коррекция ошибок) | Нет |
| Максимальная пропускная способность | 12,800 MB/s |
| Максимальный объем памяти | 8,192 MB |
Детали и особенности
| Потоки | 4 |
|---|---|
| Кэш второго уровня (L2) | 2 MB |
| Кэш второго уровня на ядро (L2) | 0.5 MB/ядро |
| Технологический процесс | 22 нм |
| Максимум процессоров | 1 |
| Архитектура | x86-64 |
Разгон Celeron J1900
| Тактовая частота при разгоне | 2.42 GHz |
|---|---|
| Тактовая частота при разгоне с водным охлаждением | 2.42 GHz |
| Тактовая частота при разгоне с воздушным охлаждением | 2.42 GHz |
Характеристики
Данные ещё не заполнены, поэтому в таблицах может не хватать информации или быть пропущены существующие функции.
Основные
Производитель
Intel
ОписаниеИнформация о процессоре, взятая с официального сайта фирмы-производителя.
Intel Celeron Processor J1900 (2M Cache, up to 2.42 GHz)
АрхитектураКодовое название поколения микроархитектуры.
Bay Trail
ТехпроцессТехнологический процесс производства, измеряется в нанометрах. Чем меньше техпроцесс, тем совершеннее технология, ниже тепловыделение и энергопотребление.
22 нм
Дата выпускаМесяц и год появления процессора в продаже.
08-2015
МодельОфициальное наименование.
J1900
ЯдраКоличество физических ядер.
4
ПотокиКоличество потоков. Количество логических ядер процессора, которые видит операционная система.
4
Технология многопоточностиБлагодаря технологиям Hyper-threading у Intel и SMT у AMD, одно физическое ядро определяется в операционной системе как два логических, благодаря чему увеличивается производительность процессора в многопоточных приложениях.
Отсутствует
Базовая частотаГарантированная частота всех ядер процессора при максимальной нагрузке. От неё зависит производительность в однопоточных и многопоточных приложениях, играх
Важно помнить, что скорость и частота напрямую не связаны. Например, новый процессор на меньшей частоте может быть быстрее, чем старый на большей.
2 GHz
Частота турбо-режимаМаксимальная частота одного ядра процессора в турбо-режиме
Производители дают возможность современным процессорам самостоятельно повышать частоту одного или нескольких ядер под сильной нагрузкой, благодаря чему производительность заметно повышается. Может зависеть от характера нагрузки, числа загруженных ядер, температуры и заданных лимитов. Ощутимо влияет на скорость в играх и приложениях, требовательных к частоте CPU.
2.42 GHz
Объем кэша L3Кэш третьего уровня работает буфером между оперативной памятью компьютера и кэшем 2 уровня процессора. Используется всеми ядрами, от объёма зависит скорость обработки информациию.
2 Мбайт
Инструкции
64-bit
Embedded Options AvailableДве версии корпусов. Стандартный и предназначенный для мобильных устройств. Во второй версии процессор может быть распаян на материнской плате.
Да
TDPThermal Design Power — показатель, определяющий тепловыделение в стандартном режиме работы. Кулер или водяная система охлаждения должны быть рассчитаны на большее значение. Помните, что с заводским автобустом или ручным разгоном TDP значительно растёт.
10 Вт
Видеоядро
| Интегрированное графическое ядроПозволяет использовать компьютер без дискретной видеокарты. Монитор подключается к видеовыходу на материнской плате. Если раньше интегрированная графика позволяла просто работать за компьютером, то сегодня способна заменить бюджетные видеоускорители и даёт возможность играть в большинство игр на низких настройках. | Intel HD Graphics (Bay Trail GT1) |
| Базовая частота GPUЧастота работы в режиме 2D и в простое. | 0.69 мГц |
| Максимальная частота GPUМаксимальная частота работы в режиме 3D. | 850 мГц |
| Intel Wireless Display (Intel WiDi)Поддержка технологии Wireless Display, работающей по стандарту Wi-Fi 802.11n. Благодаря ей, оснащённый такой же технологий монитор или телевизор, не требует кабеля для подключения. | Нет данных |
| Поддерживаемых мониторовМаксимальное количество мониторов, которые можно одновременно подключить к встроенному видеоядру. | 2 |
Оперативная память
| Максимальный объём оперативной памятиОбъём оперативной памяти, который можно установить на материнскую плату с данным процессором. | 8 Гб |
| Поддерживаемый тип оперативной памятиОт типа оперативной памяти зависит её частота и тайминги (быстродействие), доступность, цена. | DDR3L-1333 SO-DIMM |
| Каналы оперативной памятиБлагодаря многоканальной архитектуре памяти увеличивается скорость передачи данных. На десктопных платформах доступны: двухканальный, трёхканальный и четырёхканальный режимы. | 2 |
PCI
| PCI-EВерсия компьютерной шины PCI Express. От версии зависит пропускная способность и лимит мощности. Есть обратная совместимость. | 2 |
| Варианты конфигурации PCI | X4, X2, X1 |
| Количество линий PCI | 4 |
Тесты в играх
Измеренный нами FPS в популярных играх на Intel Celeron J1900 и соответствие системным требованиям
Обратите внимание, что официальные требования разработчиков в играх не всегда совпадают с данными реальных тестов. Также на результат сильно влияет разгон системы и графические настройки в игре
Мы тестируем на высоких настройках в разрешении FullHD, чтобы получить цифры, близкие к реальному геймплею.
В среднем по всем игровым тестам, процессор набрал 36.2 баллов из 100, где за 100 принят самый быстрый игровой процессор на сегодняшний день.
Выберите игруAquanox Deep DescentAssassin»s Creed ValhallaBaldur»s Gate 3Call of Duty Black Ops Cold WarCall of Duty Black Ops Cold War BetaCall of Duty Modern Warfare 2 RemasteredChronos Before the AshesCloudpunkCrysis: RemasteredCyberpunk 2077Death StrandingDesperados IIIDestroy All Humans!DIRT 5DisintegrationF1 2020Gears TacticsGhostrunnerGhostrunner DemoGodfallHavenHorizon Zero DawnHyper ScapeImmortals Fenyx RisingIron HarvestIron Harvest DemoKingdoms of Amalur Re-ReckoningMafia Definitive EditionMafia II Definitive EditionMaid of SkerManeaterMarvel’s AvengersMarvel’s Avengers BetaMedieval DynastyMicrosoft Flight SimulatorMortal Shell BetaPredator: Hunting GroundsProject CARS 3Saints Row The Third RemasteredSerious Sam 4Star Citizen 3.10.2Star Wars: SquadronsSyberia The World Before — PrologueThe Dark Pictures Anthology: Little HopeTorchlight IIITotal War Saga TROYWasteland 3Watch Dogs LegionXCOM Chimera SquadYakuza Like a Dragon
Сравнить
Бенчмарки
| PassMarkSingle thread mark |
|
|
||||
| PassMarkCPU mark |
|
|
||||
| Geekbench 4Single Core |
|
|
||||
| Geekbench 4Multi-Core |
|
|
||||
| CompuBench 1.5 DesktopFace Detection |
|
|
||||
| CompuBench 1.5 DesktopOcean Surface Simulation |
|
|
||||
| CompuBench 1.5 DesktopT-Rex |
|
|
||||
| CompuBench 1.5 DesktopVideo Composition |
|
|
||||
| CompuBench 1.5 DesktopBitcoin Mining |
|
|
||||
| GFXBench 4.0T-Rex |
|
|
||||
| GFXBench 4.0T-Rex |
|
|
| Название | Значение |
|---|---|
| PassMark — Single thread mark | 649 |
| PassMark — CPU mark | 1132 |
| Geekbench 4 — Single Core | 210 |
| Geekbench 4 — Multi-Core | 686 |
| CompuBench 1.5 Desktop — Face Detection | 3.068 mPixels/s |
| CompuBench 1.5 Desktop — Ocean Surface Simulation | 11.336 Frames/s |
| CompuBench 1.5 Desktop — T-Rex | 0.139 Frames/s |
| CompuBench 1.5 Desktop — Video Composition | 0.508 Frames/s |
| CompuBench 1.5 Desktop — Bitcoin Mining | 1.753 mHash/s |
| GFXBench 4.0 — T-Rex | 1007 Frames |
| GFXBench 4.0 — T-Rex | 1007.000 Fps |
Характеристики
| Основные характеристики | |
| Описание | Зарядка USB устройств (iPod, iPhone и т.д.), Зарядка USB устройств при выключенном компьютере, Используется 100% конденсаторов с твердым полимером, Технология ускорения USB 3.0 |
| Производитель | ASUS |
| Модель | J1900I-Cнайти похожую мат.плату |
| Тип оборудования | Материнская плата |
| Назначение | Настольный ПК, HTPC |
| Чипсет мат. Платы | SoC (System on Chip) |
| Гнездо процессора | Предустановленный процессор |
| Формат платы | Mini-ITX с высокой заглушкой (170 x 170 мм) |
| Поддержка ОС | Windows 10, Windows 8.1, Windows 8, Windows 7 |
| Поддержка процессоров | |
| Энергопотребление процессора | До 10 Вт |
| Процессор | Установлен процессор Intel Celeron J1900 (2 — 2.41 ГГц, 4 ядра, 10 Вт), замена процессора невозможна |
| Количество ядер | 4 |
| Кэш L2 | 2 Мб |
| Поддержка памяти | |
| Тип поддерживаемой памяти | LV SO-DIMM DDR3 |
| Количество слотов памяти | 2 |
| Количество разъемов DDR3 SO-DIMM | 2 (2х канальный контроллер памяти) |
| Максимальные поддерживаемые стандарты памяти | PC3-10600 (DDR3 1333 МГц) |
| Максимальный объем оперативной памяти | 8 Гб |
| Дисковая система | |
| SATA-II | 2 канала |
| Разъем для подключения FDD | Нет |
| Коммуникации | |
| Сеть | 1 Гбит/с. Сетевой контроллер Realtek RTL8111G |
| Слот для модуля WiFi/BT | miniPCI Express Mini Card slot для установки устройств, предназначенных для использования в ноутбуках. |
| Интерфейс, разъемы и выходы | |
| Контроллер USB | USB 3.0 контроллер встроен в чипсет |
| USB разъемы на задней панели | 1x USB 3.0 (USB 3.1 Gen1), 4x USB 2.0 |
| Порты | 1x COMпорты |
| Клавиатура/мышь | PS/2 клавиатура/мышь + USB |
| Слоты для установки плат расширения | |
| Количество разъемов PCI Express 1x | 1 слот 1x |
| Встроенная видеокарта | |
| Видео M/B | Intel HD Graphics. Максимальный размер видеобуфера 512 Мб |
| Максимальное разрешение экрана | 1920 x 1080 при подключении HDMI монитора, 2560 x 1600 при подключении D-Sub монитора |
| Видео разъемы на задней панели | 1x VGA монитор, 1x HDMI |
| Макс. кол-во подключаемых мониторов | 2 |
| Встроенная звуковая карта | |
| Звук | 8-канальный HDA кодек Realtek ALC887-VD |
| Аудио разъемы на задней панели | Line-in, Line-out, Mic-in |
| Охлаждение | |
| Охлаждение | Пассивное охлаждение |
| Технологии уменьшения шума охлаждающей системы | ASUS Fan Xpert |
| Питание | |
| Требования к блоку питания | Поддерживаются только 24+4 pin блоки питания.совместимые БП |
| Прочие характеристики | |
| BIOS | EFI AMI BIOS, 64 Мб |
| Поддержка OA 3.0 | Да |
| Внешние источники информации | |
| Горячая линия производителя | (495) 231-19-99 — в Москве; 8-800-100-27-87 — бесплатный звонок из любого региона России. Пн — пт: с 09:00 до 18:00 |
| Логистика | |
| Размеры упаковки (измерено в НИКСе) | 23.01 x 18.73 x 6.49 см |
| Вес брутто (измерено в НИКСе) | 0.758 кг |
Вывод
Bay Trail-D — SoC для настольных систем — это весьма интересные решения для сборки компьютеров начального уровня. На мой взгляд, данная платформа подойдет в качестве основы для офисных машин, но не более. Основной плюс Celeron J1800 и Celeron J1900 заключается в их сверхвысокой энергоэффективности. 10 Вт TDP позволяют не использовать активного охлаждения. Все это дает возможность собрать по-настоящему бесшумный компьютер для офиса и дома. Платформы от ASUS — J1800I-C и J1900I-C — могут стать хорошими помощниками в этом деле.
Однако здесь не все так однозначно. На сегодняшний день среднестатистическая система, например, с Celeron J1900 на борту обойдется потенциальному покупателю в 3500-4000 рублей. Что за эти деньги можно приобрести в качестве альтернативы? Можно взять другой SoC — Athlon 5350. Вместе с матплатой выйдет система за те же деньги. Как показало тестирование, производительность этих решений в плане х86-вычислений находится приблизительно на одинаковом уровне. Встроенная графика Athlon 5350 заметно быстрее, однако этого все равно недостаточно для современных игр.
Можно взять систему на базе Celeron G1820 (1700 рублей) и матплаты на H81 Express (например, ASRock H81M-DGS R2.0 за 1800 рублей). В плане производительности будет ничуть не хуже, но даже лучше, однако сама связка имеет более богатые возможности для апгрейда, да и с функциональностью у нее дела обстоят гораздо лучше. Все это говорит лишь об одном: Bay Trail-D — это весьма узкоспециализированная система, предназначенная для использования в конкретных случаях. Все-таки чувствуется, что основное направление данной платформы — это мобильные устройства.



















































